Какой он, современный блок питания?
Средняя мощность современных БП составляет от 300 до 500Вт.
БП вырабатывает следующие напряжения:
• основное стабилизированное напряжение +5 В (сила тока 10−50А);
• +12 В (сила тока 3,5−15А) — для питания двигателей устройств и интерфейсных цепей;
• -12 В (сила тока 0,3−1А) — для питания интерфейсных цепей;
• -5 В (сила тока 0,3−0,5А) — обычно не используется, оставлено для совместимости со стандартом ISA Bus);
• +3,3В — для питания ОЗУ.
Цепи блоков питания ATX имеют стандартизованную цветовую маркировку.
Цветовая маркировка основного разъема БП:
• GND — черный («земля»);
• +5V — красный;
• +12V — желтый;
• -5V — белый;
• -12V — синий;
• +3,3V — оранжевый;
• +3,3V Sense — коричневый (служит для подачи сигнала обратной связи стабилизатору напряжения +3,3В);
• +5VSB — малиновый («дежурная» цепь Standby);
• PS-ON — зеленый (цепь управляющего сигнала, включающего основные источники напряжений +5, +3,3, +12, -12 и -5В);
• PW-OK — серый (цепь сигнала нормального напряжения питания — Power OK).
Цветовая маркировка дополнительного разъема:
• +3,3V Sense — белый с коричневыми полосками;
• FanC — белый с синими полосками (цепь сигнала для управления скоростью вращения вентилятора — подачей напряжения 0…+12 В при силе тока до 20мА)
• FanM — белый (сигнал от тахометрического датчика вентилятора БП — два импульса на каждый оборот ротора);
• 1394V — белый с красными полосками (+ изолированного от схемной «земли» источника напряжения 8−48 В для питания устройств шины IEEE-1394 [FireWire]);
• 1394R — белый с черными полосками (- изолированного от схемной «земли» источника напряжения 8−48 В для питания устройств шины IEEE-1394 [FireWire]).
В современных БП стандарта ATX напряжение 220 В присутствует только внутри корпуса БП. При этом внутри системного блока присутствует только постоянный ток низкого напряжения (это сделано по условиям безопасности).
Интерфейс управления питанием позволяет выполнять программное отключение питания (из операционной системы — через кнопку Пуск
Как проверить работоспособность БП
Иногда при ремонте ПК возникает необходимость проверки работоспособности БП. Как сделать это, не подключая БП к ПК?
Для этого подключите к блоку питания какую-нибудь нагрузку (например, CD-ROM или флоппи-дисковод), закоротите зеленый и любой черный провода в разъеме БП (например, с помощью канцелярской скрепки) и включите БП. На исправном БП сразу заработает вентилятор и включится светодиод привода (подключенного в качестве нагрузки).
Наиболее часто в БП выходят из строя диоды и транзисторы входной силовой цепи и предохранитель.





В статье сказано:
"В современных БП стандарта ATX напряжение 220В присутствует только внутри корпуса БП. При этом внутри системного блока присутствует только постоянный ток низкого напряжения (это сделано по условиям безопасности)"
Совсем не так.
Внутри БП и ПК напряжения выбираются не из условий безопасности, а по требуемым для внутренних устройств напряжениям. Там где имеющееся напряжение отличается от пребуемого в устройстве имеется сой преобразователь (источник питания)
Оценка статьи: 2
0 Ответить
#, Полное несоответствие заголовка и содержания.
Автор постарался собрать данные, возможно даже приложил некоторые усилия. Но нет ответа!
Оценка статьи: 2
0 Ответить
в статье ответа на вопрос заголовка нет

- былбы ответ.
есть ответ "куда ПК девает 220в из розетки"
еслиб показали-рассказали как подключиться к 12в аккумулятору, например или еще что
0 Ответить
"еслиб показали-рассказали как подключиться к 12в аккумулятору, например или еще что - былбы ответ."
Подключить системный блок к аккумулятору 12 вольт много ума не надо. Сооруди нсколько делителей на нужное напряжение и присобачь к ним разные проводки, как указано в статье автора.
А теперь представь себе эту конструкцию, состоящую из двух, трёх и более автомобилных аккумуляторов(для создания мощности в 300вт) и блока питания для подзарядки этого монстра из аккумуляторов. Оно тебе надо?
Используй "Блок бесперебоцного питания"благо их сейчас навалом всяких разных и на разное входное напряжение и на выходную мощность от нескольких ват до десятков и сотен киловат
0 Ответить
Ай, маладца!
Всё правильно в предыдущих комментариях, обычно машину несут в какую-нибудь сервисную службу и там, чаще всего тупо меняют вышедший из строя блок или узел. А раньше занимались ремонтом. Опрееляли конкретно сгоревший элемент и меняли его на новый. Что было гораздо дешевле, но занимало больше времени. Сейчас время дорого, потому просто меняют целиком блок, а стары в утиль. Жуткое транжирство, по моему мнению, но ничего тут не поделаешь...
Перекину ссылку на статью моему другу, который руководит отделом IT в фирме, где обслуживается моя организация. Для тех, кто просто выкидывает блоки, будет полезно знать, что там у них внутри к чему, и как можно удешевить ремонт, меняя более мелкие детали, вышедшие из строя.
Оценка статьи: 5
0 Ответить
Полезная статья. Многого не знал, сохраню. Если бы раньше знал, многих проблем бы избежал. Особенно полезна, как мне кажется, информация насчет того, какой цвет провода за что отвечает.
Оценка статьи: 5
0 Ответить
Как простому потребителю просто интересно, любопытства ради, поэтому оцениваю эту статью на твёрдую пятёрку. А так и знать это всё некчему. Как сказал Виктор Покидько "Вопрос интересный, но я лично об этом никогда не задумывался, все работает... и так". И правильно, потому как даже профессиональный ремонт ПК сводится к определению исправности того или иного узла и замене его на исправный
Ведь большинство потребителей даже и не знают что такое БП. И ремонтом его вообще никто заниматься не будет, да и некчему это если потребитель приносит нерабочий ПК и оказывается что там не работает БП, то его сразу меняют на новый.
Кстати, любой выпрямитель, а блок питания в сути своей он и есть, собранный по бестрансформаторной схеме включать без нагрузки нельзя так как разность потенциалов, возникающая в ненагруженных цепях может достичь больших величин, а это чревато пробоем элементов выпрямителя.
Было бы весьма полезно если бы автор объяснил всем потребителям как проверить целостность предохранителя и как его заменить при необходимости, прежде чем покупать новый БП.
0 Ответить
Кстати, любой выпрямитель, а блок питания в сути своей он и есть, собранный по бестрансформаторной схеме включать без нагрузки нельзя так как разность потенциалов, возникающая в ненагруженных цепях может достичь больших величин, а это чревато пробоем элементов выпрямителя.
это Вы вообще к чему?
Оценка статьи: 5
0 Ответить
А к тому что блок питания системного блока вхолостую включать нельзя даже кратковременно.
0 Ответить
во-первых, что за чушь про запрет кратковременного включения?
импульсный блок питания забирает из сети столько энергии, сколько потребляет нагрузка, так что если включить блок питания на несколько секунд без нагрузки, то ничего с ним не станется
другой вопрос, что в некоторых блоках питания может быть защита от такого включения, про что упомянул Валерий Сидоров
во-вторых, я не зря спросил к чему Вы это про бестрансформаторную схему..
с каких пор блок питания компьютера собран по схеме без гальванической развязки (проще говоря, в данном случае, когда есть прямой контакт хотя бы с одним из проводом идущих из розетки)? это было бы дикое нарушение техники безопасности, [удалено модератором]. Вы его хоть раз разбирали? или у Вас абстрактное представление содержимого железной коробки как набора диодов?
внутри стоит импульсный понижающий трансформатор, на вторичных обмотках которого и получаются и 5 и 12 вольт, используется высокочастотный (выше 20 кГц) трансформатор отчасти (а скорее в первую очередь) из-за его небольших размеров при той же выходной мощности (при применении обычных трансформаторов на 50 Гц размер блока питания сравнился бы с размерами системника), для этого применяется метод двойдного преобразования с обратной связью (изменили частоту -> понизили напряжение -> изменили частоту опять)
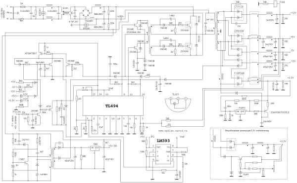
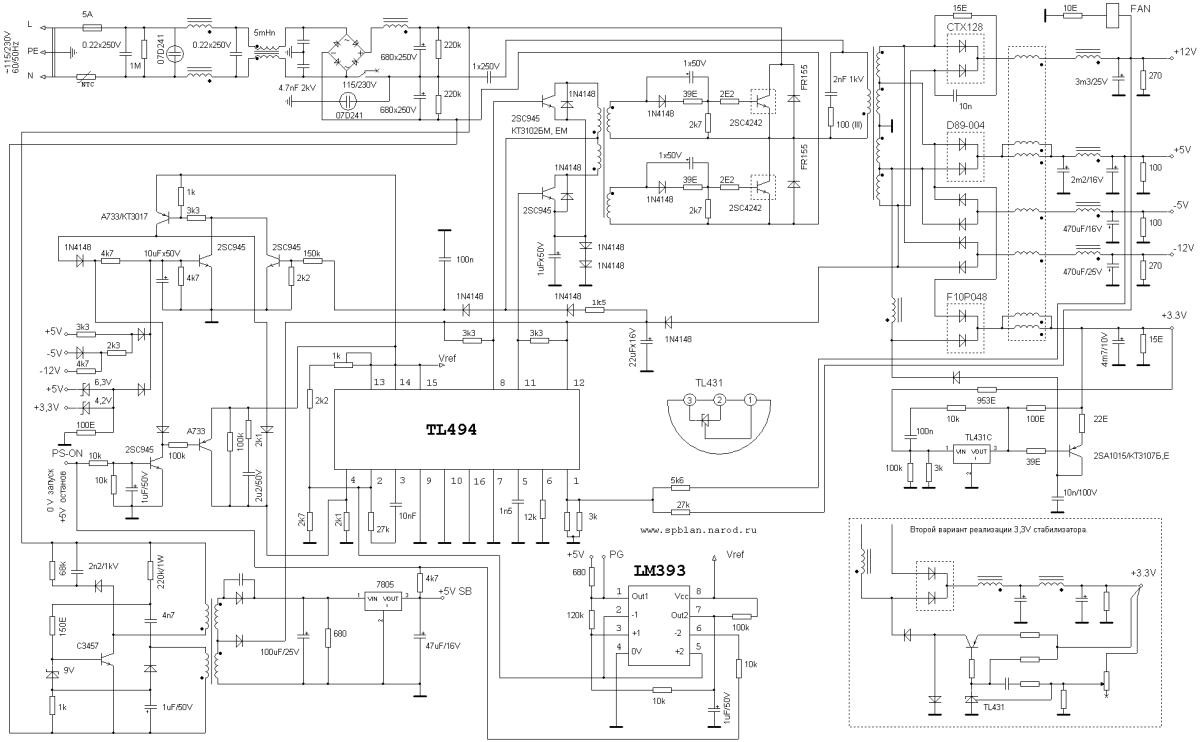
специально для Вас я приложил схему одного из ATX-ых блоков питания, можете рассмотреть её, если представляете себе как на таких схемах выглядит трансформатор
Оценка статьи: 5
0 Ответить
Володя, чуть не так - там - выход 24В со средней точкой (по-моему такая схема преобразования называется полумостовая pull-push) , а дальше - второй транс с обмотками под нужную напругу. Другое дело - что в хозяйстве очень полезно иметь именно 24 вольта (например - для паяльника), по-этому - берут списанный БП, меняют сгоревшие вх. цепи (если горел) и прямо выводят эти 24В. Если не лень - можно выпаять выходные цепи, не учавствующие в обратной связи (5В и 12В). Современные схемы чуть другие, на на входах ставят мосфеты, и для запитки ШИМа используется другой транс.
А почему ему не работать? Кстати - современный ручной электроинструмент с коллекторным эл.двигателем тоже должен на постоянке работать, если там нет терристорного управления оборотами.
0 Ответить
так суть от этого не меняется - соединение сети и комплектующих компьютера имеет гальваническую развязку (трансформаторная схема) внутри блока питания
за дополнение про 24 вольта спасибо.. не знал что там можно и столько выцепить.. приму к сведению, как-то раньше надо было именно столько (и как раз нерабочий блок питания валяется), правда сейчас уже не актуально..
Оценка статьи: 5
0 Ответить
Чтобы проверить целостность предохранителя, нужно «прозвонить» его тестером (зачастую можно даже визуально определить, что предохранитель, как говорится, «вспотел»), а для этого нужно вскрыть корпус БП. Большинство пользователей заниматься этим никогда не будет (это и понятно, ведь каждый должен делать свое дело!), а кто занимается ремонтом БП, тому эта информация уже не нужна…
Оценка статьи: 5
0 Ответить
+5!
Очень интересная информация.
Беру в закладки.
Оценка статьи: 5
0 Ответить
Для этого подключите к блоку питания какую-нибудь нагрузку (например, CD-ROM или флоппи-дисковод), закоротите зеленый и любой черный провода в разъеме БП (например, с помощью канцелярской скрепки) и включите БП. На исправном БП сразу заработает вентилятор и включится светодиод привода (подключенного в качестве нагрузки).
для кратковременного теста можно и без нагрузки, ничего страшного не будет
–5В (сила тока 0,3–0,5А) – обычно не используется, оставлено для совместимости со стандартом ISA Bus);
хм.. могли бы тогда уже начать от него избавляться.. сразу силовых проводов станет меньше идущих к приводам, веникам..
кстати, в материнку идёт куча проводов, многие из них на самом деле идут из одного места, для чего так? где-то есть блоки питания, где несколько раздельных источников напряжения для платы?
Оценка статьи: 5
0 Ответить
Некоторые блоки питания не удается запустить без нагрузки.
Оценка статьи: 5
0 Ответить
может быть.. мне такие не попадались..
так а что с большой вязанкой проводов, Вы не в курсе зачем там их больше, чем может предложить обычный блок питания?
Оценка статьи: 5
0 Ответить
Не пойму, что Вас смущает в «большой вязанке проводов»?
Там все разведены поодиночке, за исключением оранжевого (для питания ОЗУ) и коричневого (для подачи сигнала обратной связи стабилизатору напряжения +3,3В), которые соединены вместе.
Оценка статьи: 5
0 Ответить
надо будет заглянуть внутрь на днях, что-то меня там внутри раздражало..
Оценка статьи: 5
0 Ответить
у меня они они не разведены, а запитаны параллельно.. потому вопрос о вязанке остался открытым.. можно бы было более логично сделать систему питания..
питание 5 и 12 вольт всё равно идёт на материнку, почему тогда сразу оттуда не вести кабели для питания сидиромов и веников, чтобы не два, а один кабель шёл к ним?
Оценка статьи: 5
0 Ответить
Любопытно.
0 Ответить
Вопрос интересный, но я лично об этом никогда не задумывался, все работает... и так
0 Ответить
Полезно.
0 Ответить